产品中心

Product Center

产品特征 产品应用 订货信息 技术参数 规格图

返回列表THDP28

THDP28

产品特征

列表.png 微型轻操作;

列表.png 手感良好且寿命长;

列表.png 插入式设计,可直接安装在印刷电路板上,并具有良好的防静电性能;

列表.png 拥有多种按钮形状和高度选择,适用于各种产品,安装方便。


列表.png Microminiature, light operating;

列表.png Goodfeeling and long life;

列表.png Snap-in type, can be mounted directly on P.C. Board and good for electrostatic discharge;

列表.png lt has a lot of choices for button shape and height and it is easily to install all kind of product.


产品应用

列表.png 可用于操作各种电子设备,例如电话、PDA、DVD、数码相机、音频设备、仪器仪表设备、自动化设备控制等。


列表.png They can operate all types of electronic equipment such as the telephone, PDA, DVD, digital camera, audio equipment, instrument and meter equipment, autoimmunization equipments control etc.


订货信息

D08-21.jpg

技术参数

项目 Items参数 Standard
工作温度范围 Operating temperature range-20℃ to +70℃
电气性能 Electrical performance额定电流 Rating50mA, 12V DC
绝缘电阻 Insulation resistance100MΩ min., 100V DC
介电强度 Dielectric strengthAC250V (50-60Hz) for 1 min.
接触电阻 Contact resistance50mΩ max.
耐用性 Durability寿命 Lifetime100,000 Cycles
机械性能 Mechanical performance操作力 Operating force160 ± 30 gf
行程 Travel0.25 ± 0.10 mm

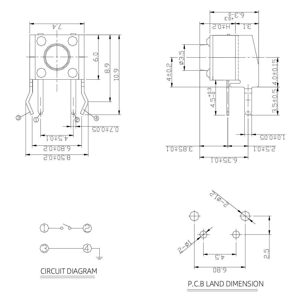
规格图

THDP28主图模板_画板 1 副本 10.jpg

产品推荐

在线询单

欢迎 广大 客商 与 我们 洽谈 合作